信用江永
无标题文档
适老版
lol悠米cos
lol悠米cos
nba有米直播
nba米直播吧
办事服务
nba优米在线观看
nba优米直播
nbaso米直播吧
适老版
nbaso米直播吧
nbaso米直播吧
办事
互动
lol悠米cos
nba优米直播
您现在所在的位置:
lol悠米cos
>
专题专栏
>
信用江永
分享到:
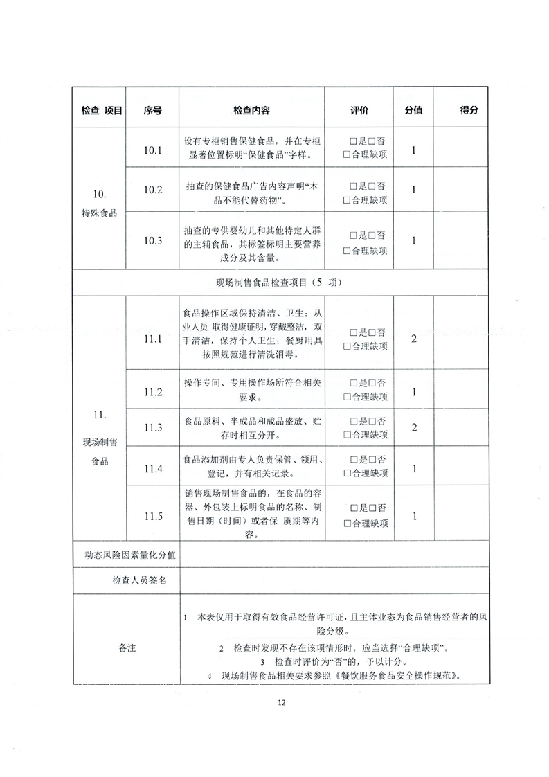
优米体育足球市场监督管理局关于进一步做好食品经营风险分级管理工作的通知
2020-09-17 11:19
来源:
优米体育足球市场监督管理局
发布机构:
字体【
大
中
小
】
扫一扫在手机打开当前页
【TOP】
【
打印页面
】【
关闭页面
】
nbaso米直播吧
办事
互动
lol悠米cos
nba优米直播
nba优米直播